VRSP - Regenerative Valve

Oleodinamica Marchesini In Stock
Code V1220 Type VRSP 1/2” Net Price €78.65 Quantity
Code V1230 Type VRSP 3/4” Net Price €100.10 Quantity

Use and Operation
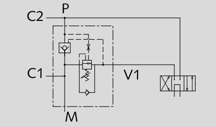
This valve allows to recover the oil from the rod to port C1 and to send it to the bottom valve through the port P, adding it to the pomp flow rate. When the pressure in the bottom valve of the cylinder achieves the setting value, oil from the rod is sent to the tank through port V1, restoring a non-regenerative system with maximum thrust.

The exclusion pressure of the regenerative depends only on the pressure in the bottom valve of the cylinder.

Materials and Features

  • Body: zinc-plated steel
  • Internal Parts: hardened and ground steel
  • Seals: BUNA N standard
  • Poppet Type: minor leakage

Applications
Connect C1 to the cylinder stem, V1 to the pressure flow, P to the cylinder bottom valve and to the pressure flow at the same time, M to the manometer if there is.

Visa card Mastercard Amex Discover Dinners Paypal Bank